Miele APWM 019 - Bedienungsanleitung

Miele APWM 019 – Bedienungsanleitung, kostenlos online im PDF-Format lesen. Wir hoffen, dass dies Ihnen hilft, etwaige Fragen zu klären. Wenn Sie noch Fragen haben, kontaktieren Sie uns bitte über das Kontaktformular.
Inhalt:
- Seite 4 – de - Ihr Beitrag zum Umweltschutz; Entsorgung der Transportverpackung
- Seite 5 – de - Sicherheitshinweise und Warnungen; Bestimmungsgemäße Verwendung
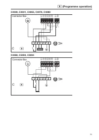
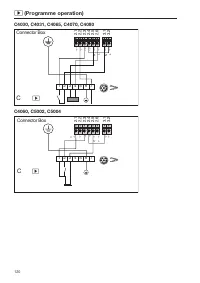
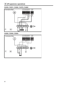
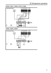
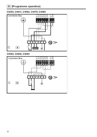
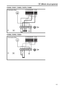
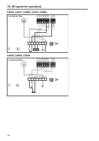
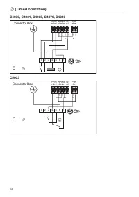
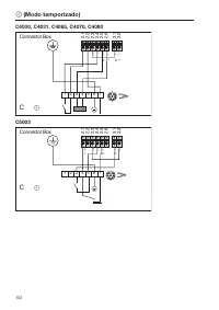
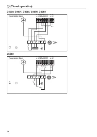
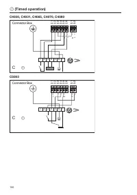
- Seite 7 – de - Funktionsbeschreibung; Funktionsweise; Funktionen der Connector Boxen:
- Seite 10 – Strombelastbarkeit der Ein- und Ausgänge; Mindestquerschnitt von 1,0 mm; Kassiersystem installieren
- Seite 12 – Tabelle Funktion und Strombelastbarkeit Codierung 1
- Seite 14 – Tabelle Funktion und Strombelastbarkeit Codierung 2
- Seite 16 – de - Elektroanschluss; Elektrischer Anschluss; Die Connector Box besitzt keinen zusätzlichen Schalter; Technische Daten; Spannung
Connector-Box
de
Gebrauchs- und Montageanweisung
en
Operating and installation instructions
da
Brugs- og monteringsanvisning
es
Instrucciones de manejo y montaje
fr
Mode d'emploi et instructions de montage
pt
Instruções de utilização e de montagem
it
Istruzioni d'uso e di montaggio
hu
Használati és szerelési útmutató
tr
Kullanım ve Montaj Kılavuzu
M.-Nr. 11 763 781
„Anleitung wird geladen“ bedeutet, dass Sie warten müssen, bis die Datei vollständig geladen ist und Sie sie online lesen können. Einige Anleitungen sind sehr groß, und die Zeit, bis sie angezeigt wird, hängt von Ihrer Internetgeschwindigkeit ab.
Weitere Anleitungen für Miele APWM 019
Zusammenfassung
de - Ihr Beitrag zum Umweltschutz 4 Entsorgung der Transportverpackung Die Verpackung schützt die Connector-Box vor Transportschäden.Die Verpackungsmaterialien sind nach umweltverträglichen und ent-sorgungstechnischen Gesichtspunkten ausgewählt und deshalb recy-celbar. Das Rückführen der Verpackung ...
de - Sicherheitshinweise und Warnungen 5 Diese Connector Box entspricht den vorgeschriebenen Sicherheits-bestimmungen. Ein unsachgemäßer Gebrauch kann jedoch zuSchäden an Personen und Sachen führen. Lesen Sie zuerst diese Gebrauchs- und Montageanweisung für dieConnector Box. Sie gibt wichtige Hinwei...
de - Funktionsbeschreibung 7 Funktionsweise Durch die Connector Box kann externe Hardware von Miele und an-deren Anbietern an die Miele Professional Maschine angeschlossenwerden. Externe Hardware sind z. B. Kassiersysteme, Dosiersysteme,Spitzenlastanlagen, Drucksensoren, externe Abluftklappen usw. F...